
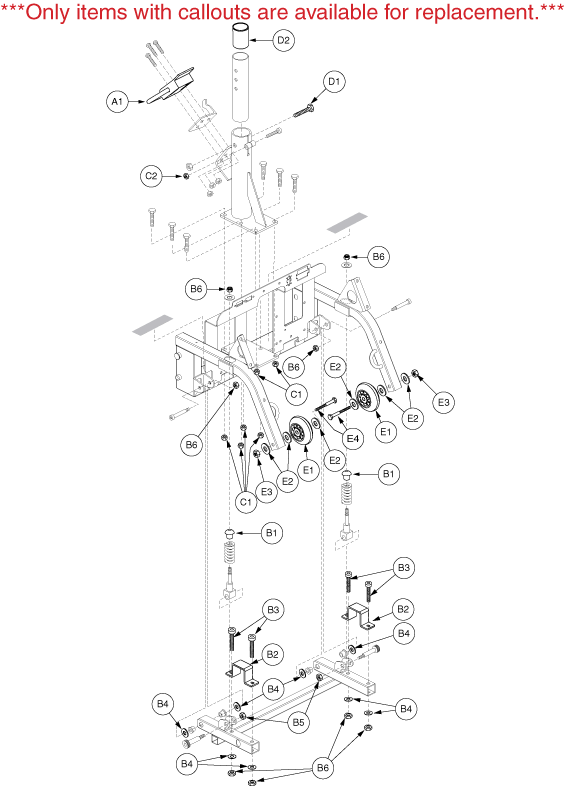
FRAME, MECHANISM, HOOK LOCK UP, SC50, SONIC, B-9905-022

BALL PIVOT/SPRING ROD, ZINC, SC3000/3400, B-9935-043

BRACKET, AXLE MOUNT, BLACK, POWDER COAT, REVO, A-9998-005

SCREW, SHCS, BLACK ZINC, M8-1.25X40MM

WASHER, FLAT, ZINC, 8MMID X 22MMOD X 2MMT

NUT, NYLOCK, BLACK ZINC, M8-1.25

NUT, NYLOCK, ZINC, M6-1.0

BUSHING, BLACK, NYLON, A-1107-028

SCREW, HHCS, ZINC, M10-1.5 X 55MM, CLASS 10.9
Monster Scooter Parts
Monster Scooter Parts

WASHER, FLAT, BLACK ZINC, 8.4MM ID X 16MM OD X 1.2MM TH
Monster Scooter Parts
M8-1.25x7.65 Black Lock Nut (NUTNYLK1011)

SCREW, HHCS, BLACK ZINC, M8-1.25 X 65MM, GRADE 10.9
