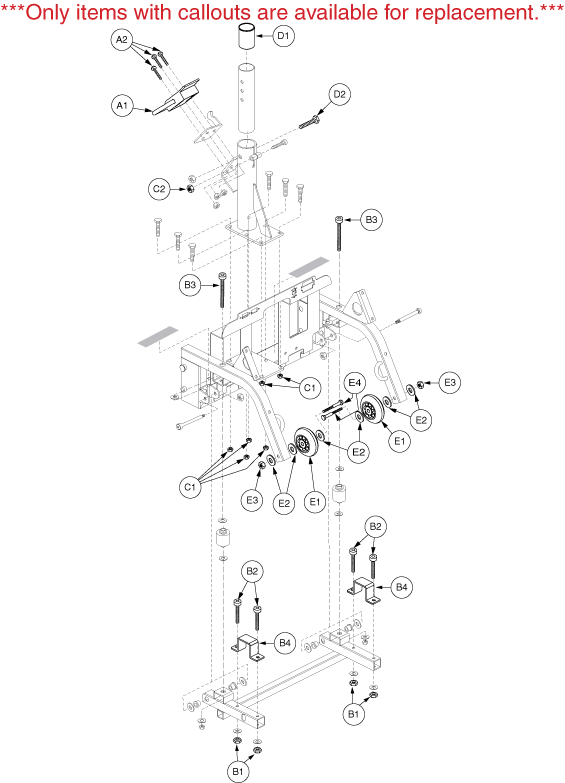
FRAME, MECHANISM, HOOK LOCK UP, SC50, SONIC, B-9905-022
Pride Mobility
SCREW, PAN HEAD, TYPE H, M4X0.7 X 12, FT, ISO 7045, CL 4.8, BZ (SCRPPH1044)
NUT, NYLOCK, BLACK ZINC, M8-1.25
SCREW, SHCS, BLACK ZINC, M8-1.25X40MM
SCREW, SHCS, BZ, M8-1.25 X 50MM
BRACKET, AXLE MOUNT, BLACK, POWDER COAT, REVO, A-9998-005
NUT, NYLOCK, ZINC, M6-1.0
BUSHING, BLACK, NYLON, A-1107-028
SCREW, HHCS, ZINC, M10-1.5 X 55MM, CLASS 10.9
Monster Scooter Parts
WHEEL,ANTI-TIP,BLACK,3" DIAMETER
WASHER, FLAT, BLACK ZINC, 8.4MM ID X 16MM OD X 1.2MM TH
SCREW, HHCS, BLACK ZINC, M8-1.25 X 65MM, GRADE 10.9














