
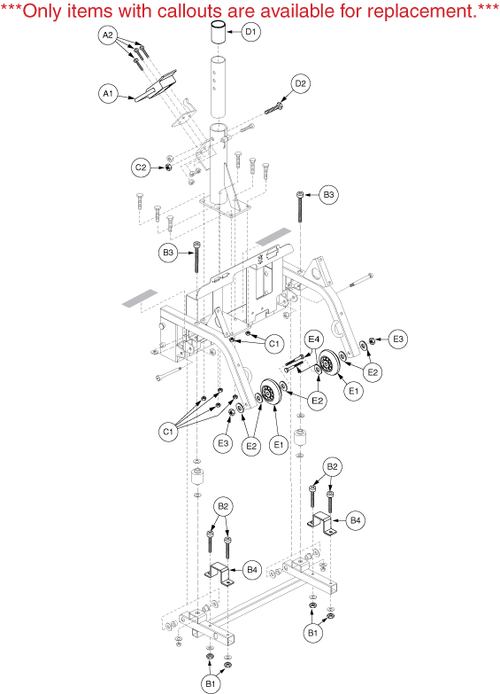
FRAME, MECHANISM, HOOK LOCK UP, SC50, SONIC, B-9905-022
Pride Mobility
SCREW, PAN HEAD, TYPE H, M4X0.7 X 12, FT, ISO 7045, CL 4.8, BZ (SCRPPH1044)

NUT, NYLOCK, BLACK ZINC, M8-1.25

SCREW, SHCS, BLACK ZINC, M8-1.25X40MM

SCREW, SHCS, BZ, M8-1.25 X 50MM

BRACKET, AXLE MOUNT, BLACK, POWDER COAT, REVO, A-9998-005

NUT, NYLOCK, ZINC, M6-1.0

BUSHING, BLACK, NYLON, A-1107-028

SCREW, HHCS, ZINC, M10-1.5 X 55MM, CLASS 10.9
Monster Scooter Parts
Monster Scooter Parts

WASHER, FLAT, BLACK ZINC, 8.4MM ID X 16MM OD X 1.2MM TH
Monster Scooter Parts
M8-1.25x7.65 Black Lock Nut (NUTNYLK1011)

SCREW, HHCS, BLACK ZINC, M8-1.25 X 65MM, GRADE 10.9
