Save 10% Sitewide (code SPOOKY10)

Call us at: 800-798-0325

FREE SHIPPING ON ORDERS OVER $99

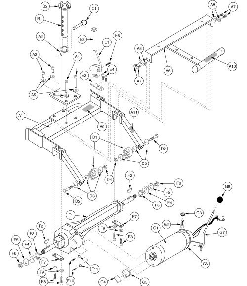
Pride Legend (SC340) - Drive System - L-30999 -Prior


Pos.
MPN
Details
A1 - A11
FRMASMB2308

FRAME, ASSY, REAR, 3/4 WHEEL, (S.N. L-30999 & PRIOR)

---
A1
FRM5001D002

FRAME, MAIN, REAR

---
A2
SET5106B000

SEAT POST, LOWER, FRAME

---
A3
BLTASHL1007

BOLT, SHOULDER, 8MM X 12MM

---
A4
BLTASHL1013

BOLT, SHOULDER, 8MM X 40MM, GRADE 5

---
A6
BRK5034C000

FRAME, SUPPORT, ELECTRONICS

---
A7
SCRHHCS1007

SCREW, HHCS, M6-1.0 X 12MM, G2

---
A8
WASLOCK1000
View details
A9
DECINDV1007

DECAL, STOP! DISCONNECT PLUG

---
A10
DECINDV1006

DECAL, THIS IS NOT A HANDLE

---
A11
DECINDV1005

DECAL, DO NOT REMOVE ANTI-TIP

---
B1 - B2
FRMASMB1001

SEAT POST, ASSY, UPPER, 5 HOLE

---
B1
SET5109C000

SEAT POST, UPPER, FRAME, B-5100-009

---
B2
DWR5000A043

SEAT POST, BUSHING, 1.000" ID X 1.310" OD X 2.112" TH X 2.00" FOD X 0.312"FTH, UPPER, A-5000-043

---
C1
PINCOTD1006

Monster Scooter Parts

3/8" x 3-3/8" Quick Release Seat Pin for Pride and Jazzy Rear Basket Assemblies

$4.99
View details
D1 - D4
WHLASMB1239

WHEEL, ASSY, ANTI-TIP, 2"

---
D1
WHLATIP1000

WHEEL, ANTI-TIP, LEGEND/CELEBRITY

---
D2
SCRHHCS1058

SCREW, HHCS, 1/4-20 X 2.25'', GRADE 2

---
D3
WASUSS1000

WASHER, FLAT, ZINC, 1/4, 0.3125" ID X0.75" OD X 0.0625" TH

---
D4
NUTNYLK1003

NUT, NYLOCK, ZINC, 1/4-20

---
E1 - E5
FRMASMB1010

CAM, ASSY

---
E1
BRK5017D011

FRAME, LOCKUP, LEVER

---
E2
BRK5017D012

FRAME, LOCKUP, BASE

---
E3
IND5017D007

CAM NUT/WASHER

---
E4
SCRSHCS1023

SCREW, SHCS, 1/4-20 X 0.50", GRADE 2

---
E5
SCRASBH1005

Pride Mobility

SCREW, BUTTON HEAD, .250-20 X 1.25, ASTM F835, BZ (SCRASBH1005)

$3.29
View details
F1 - G8
DRVASMB1152

MOTOR, ASSY, DRIVE TRAIN, OLD STYLE LEG/CEL

---
F1 - F11
DRVASMB1002

TRANSAXLE, ASSY, COMPLETE

---
F1
DRV1001

TRANSAXLE, LONG SHAFT

---
F2
KEYSTL1003

Monster Scooter Parts

Transaxle Woodruff Key for Pride and Go-Go Scooters (KEYSTL1003)

$6.99
View details
F3
RNGRTAN1002

Pride Mobility

RING, RETAINING,3/4" (RNGRTAN1002)

$3.29
View details
F4
WASSTND1020

WASHER, ZINC, .750"ID X 1.25"OD X .030"THK, STAMPED W/KEYWAY

---
F5
WASSTND1013

WASHER, FLAT, ZINC, 9/16"ID X 1"OD X 1/16"

---
F6
NUTNJAM1001
View details
F7
AXL5014C003

TRANSAXLE PLATE

---
F8
SCRSHCS1019

SCREW, SHCS, ZINC, 5/16-18 X 1.00"

---
F9
WASLOCK1001

WASHER, LOCK, 5/16"ID X 7/16"OD X 1/16"T

---
F10
SCRSHCS1007

SCREW, SHCS, BLACK OXIDE, 1/4-20 X 1 1/4"

---
F11
WASINTH1000

WASHER, SAE, 1/4"ID, INTERNAL TOOTH

---
G1 - G8
DRVASMB1003

MOTOR, ASSY, BRAKE, SHORT CORD

---
G1
DRVMOTR1002

MOTOR, MOTOR W/SHORT CORD

---
G2
DRVBRSH1001

MOTOR, BRUSH, RELIANCE

---
G3
INDPART1103

MOTOR, BRUSH, CAP, RELIANCE

---
G4
INDPART1776

KEY, MOTOR COUPLER, 3/8" X 41/64" X 3/64", (110636YM)

---
G5
INDPART1696

MOTOR COUPLER, NYLON, (229007)

---
G6
DRV1003

TRANSAXLE, BRAKE, RELIANCE, MAGNATEK

---
G7
BRA5035A000

FREEWHEEL, ROD

---
G8
PLSKNCP1001

KNOB, 1" DIA, PLASTIC, BLACK, ROUND, FREEWHEEL

---