
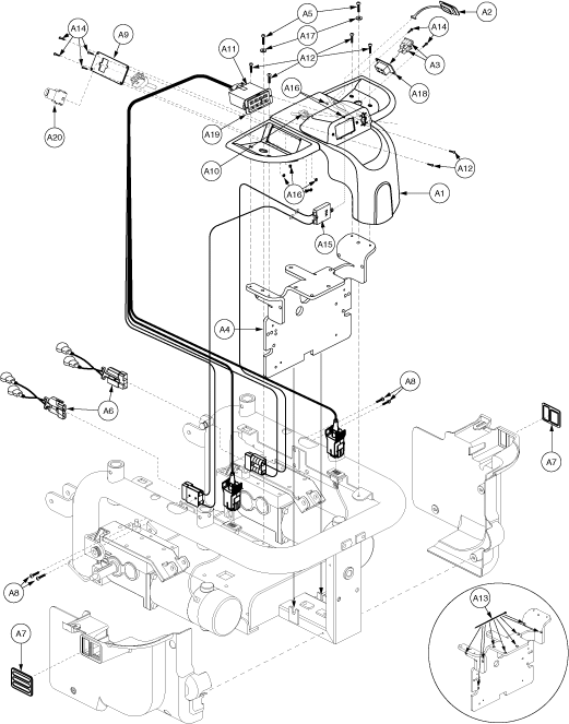
ELECTRONIC, ASSY, VSI TRAY, JAZZY1121, OFFBOARD CHARGER, FUTURE ACTUATOR EXPANSION

ELECTRONIC, TRAY, JAZZY1101/1121

FUSE MODULE COVER, RUBBER, B-1500-045
Pride Mobility
ELECTRONIC,FUSE,7.5 AMP,ATO (AUTOMOTIVE TYPE),(LITTELFUSE: 25707.5) (ELEFUSE1010)

ELECTRONIC, MOUNTING BRACKET, JAZZY1101/1121

SCREW, PPH, BLACK ZINC, M5-.8 X 15MM, (MTS: 50105036)

ELECTRONIC, ASSY, BATTERY CABLE, W/125A/32V FUSEABLE LINK, QUICK DISCONNECT, H-1122-022

AC CAP, BELLY PAN SIDE, SNAP-IN, C-1101-038

SCREW, PPH, ZINC, M3-.5 X 16MM

CAP, PLASTIC, 6 PIN, 3.32" X 1.60", JAZZY ELECTRONICS TRAY, B-1000-296
Monster Scooter Parts
Offboard Adapter Plug for the Jazzy 1113 (HARUSHD2080)

ELECTRONIC, HARNESS, POWER INTERFACE, PILOT/VSI, H-1010-021
Pride Mobility
SCREW, PAN HEAD, TYPE H, M4X0.7 X 12, FT, ISO 7045, CL 4.8, BZ (SCRPPH1044)
Pride Mobility
TIEDOWN STRAP, 200 LG, PLASTIC, BLACK, SPEC NO. 2106329-2-50-175-V2 (PLSTIE1004)
Monster Scooter Parts
M3-.5x10 mm Black Pan Head Machine Screw (SCRPPH1148)

ELECTRONIC,ASSY,CIRCUIT BREAKER,50 AMP,COMPLETE,RIGHT ANGLE TERMINALS,PUSH TO RESET

NUT, NYLOCK, BLACK ZINC, M3-.5

WASHER, FLAT, BLACK ZINC, 5MM ID X 11MM OD X 1.5MM TH

ELECTRONIC, ASSY, FUSE MODULE, W/CONTACTS, QUANTUM BLAST, H-1500-016

MOUNTING BRACKET, BEAU CONNECTOR MOUNTING BRACKET, C-1000-245
Pride Mobility
ELECTRONIC,HARNESS,RUN PLUG,VSI,2 ACTUATOR,6-PIN,H-1010-047 (DWR1010H047)
