Pride Mobility
ELECTRONIC,ASSY,Q-LOGIC,G4,6 MPH,160 RPM MOTORS,R44 (ELE132487)
Pride Mobility
CONTROLLER,Q-LOGIC,ASSY,90 AMP,W/G4,6 MPH,160 RPM PROGRAM,R44 (CTLASMB7110009)
Pride Mobility
SCREW, PAN HEAD, TYPE H, M5X0.8 X 35, ISO 7045, CL 4.8, BZ (SCRPPH1390)
Monster Scooter Parts
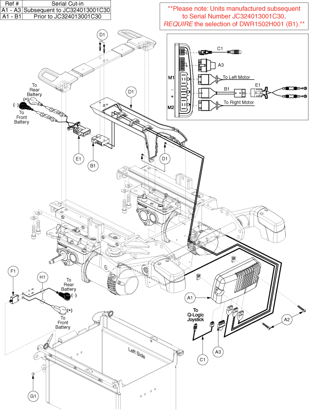
Q-Logic Harness Run Plug for the Jazzy 614 and J6 Power Chairs (DWR1265H027)
Pride Mobility
ELECTRONIC,HARNESS,POWER CABLE,CURTIS (DWR1502H001)
Pride Mobility
Pride Mobility
ELECTRONIC,HARNESS,BATTERY CABLE,W/125A/32V FUSEABLE LINKS,H-1502-002 (DWR1502H002)
Monster Scooter Parts
70 Amp Circuit Breaker with Right Angle Screw Terminals (ELE1705477)
Monster Scooter Parts
Battery Box Breaker Button Cover for the Go-Go Elite (INDPART2420)
Pride Mobility
ELECTRONIC,HARNESS,POSITIVE BATTERY TERMINAL TO CIRCUIT BREAKER JUMPER (DWR1502H003)
