Pride Mobility
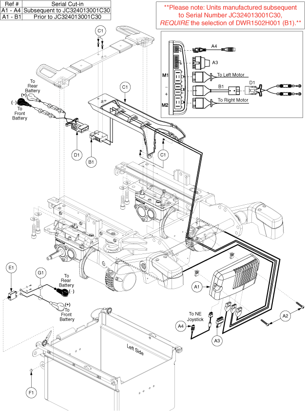
ELECTRONIC,ASSY,NE,G4,5 MPH,125 RPM MOTORS,R44,STATIC,RUN PLUG (ELE132504)
Pride Mobility
ELECTRONIC,ASSY,NE,G4,5 MPH,125 RPM MOTORS,R44 (ELE120007)
Pride Mobility
CONTROLLER,NE,ASSY,75 AMP,W/G4,5 MPH,125 RPM PROGRAM,R44 (CTL120003)
Pride Mobility
SCREW, PAN HEAD, TYPE H, M5X0.8 X 35, ISO 7045, CL 4.8, BZ (SCRPPH1390)
Pride Mobility
ELECTRONIC,HARNESS,RUN PLUG,NE,CURTIS,H-1265-061 (DWR1265H061)
Pride Mobility
Pride Mobility
ELECTRONIC,HARNESS,POWER CABLE,CURTIS (DWR1502H001)
Pride Mobility
ELECTRONIC,HARNESS,BATTERY CABLE,W/125A/32V FUSEABLE LINKS,H-1502-002 (DWR1502H002)

ELECTRONIC,ASSY,CIRCUIT BREAKER,50 AMP,COMPLETE,RIGHT ANGLE TERMINALS,PUSH TO RESET
Monster Scooter Parts
Circuit Breaker Cover for the Pride Revo (SC64) (INDPART2148)
Pride Mobility
ELECTRONIC,HARNESS,POSITIVE BATTERY TERMINAL TO CIRCUIT BREAKER JUMPER (DWR1502H003)
