Pride Mobility
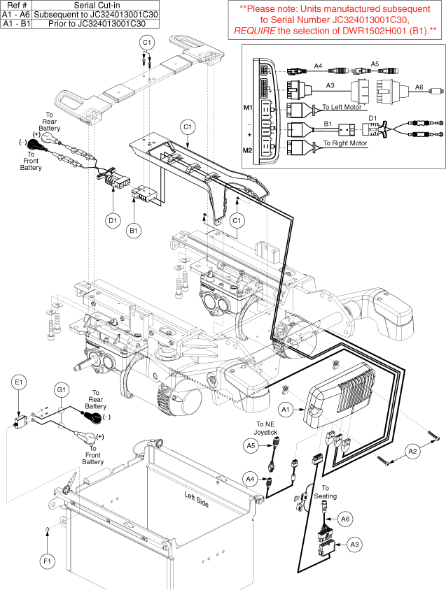
ELECTRONIC,ASSY,NE,G4,6 MPH,160 RPM MOTORS,R44,PTO (ELE132507)
Pride Mobility
CONTROLLER,NE,ASSY,75 AMP,W/G4,6 MPH,160 RPM PROGRAM,R44 (CTL120034)
Pride Mobility
SCREW, PAN HEAD, TYPE H, M5X0.8 X 35, ISO 7045, CL 4.8, BZ (SCRPPH1390)
Pride Mobility
ELECTRONIC,HARNESS,INTERMEDIATE,OFFBOARD CHARGER,NE,H-1265-055 (DWR1265H055)
Pride Mobility
Pride Mobility
ELECTRONIC,HARNESS,PTO ONLY,NE,H-1265-057 (DWR1265H057)
Pride Mobility
ELECTRONIC,HARNESS,POWER CABLE,CURTIS (DWR1502H001)

HARNESS, BUS EXTENSION CABLE, 1.0 METER, MALE/FEMALE, H-1111-052, (CURTIS: 37393)
Pride Mobility
ELECTRONIC,HARNESS,BATTERY CABLE,W/125A/32V FUSEABLE LINKS,H-1502-002 (DWR1502H002)

ELECTRONIC,ASSY,CIRCUIT BREAKER,50 AMP,COMPLETE,RIGHT ANGLE TERMINALS,PUSH TO RESET
Monster Scooter Parts
Circuit Breaker Cover for the Pride Revo (SC64) (INDPART2148)
Pride Mobility
ELECTRONIC,HARNESS,POSITIVE BATTERY TERMINAL TO CIRCUIT BREAKER JUMPER (DWR1502H003)
