Pride Mobility
ELECTRONIC,ASSY,NE PLUS,CURTIS,G4,5 MPH,125 RPM MOTORS,Q6 EDGE,QUANTUM W/ELEVATE (ELEASMB7122)
Pride Mobility
ELECTRONIC,ASSY,NE PLUS,CURTIS,G4,6 MPH,160 RPM MOTORS,Q6 EDGE,QUANTUM W/ELEVATE (ELEASMB7124)
Pride Mobility
CONTROLLER,NE PLUS,CURTIS,ASSY,75 AMP,W/G4,6 MPH,160 RPM PROGRAM,QUANTUM623,QUANTUM (ELEASMB7079)

ELECTRONIC,ASSY,CIRCUIT BREAKER,50 AMP,COMPLETE,RIGHT ANGLE TERMINALS,PUSH TO RESET
Monster Scooter Parts
Circuit Breaker Cover for the Pride Revo (SC64) (INDPART2148)
Pride Mobility
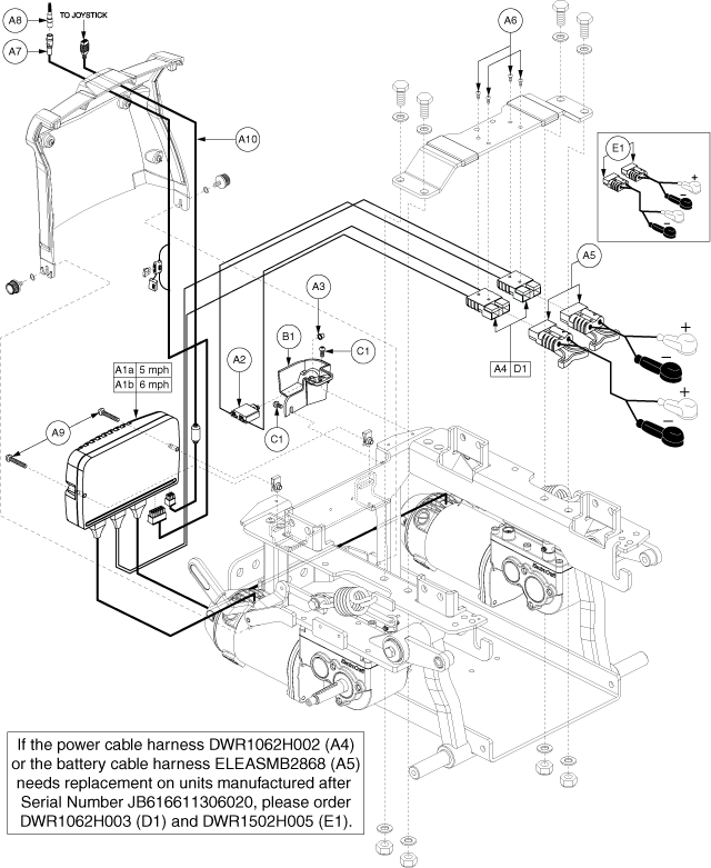
ELECTRONIC,HARNESS,POWER CABLE,POWER SEAT,Q6EDGE,Q-LOGIC,H-1062-002 (DWR1062H002)
Monster Scooter Parts
Quick Disconnect Battery Cable with Fuseable Link for Quantum Power Chairs (ELEASMB2868)

SCREW, PPH, BLACK, ZINC, M4 X 16MM, THREAD CUTTING
Pride Mobility
ELECTRONIC,HARNESS,POWER TAKE OFF(PTO)/INHIBIT,CURTIS (DWR1265H021)
Pride Mobility
ELECTRONIC,HARNESS,RUN PLUG,SURE SEAL,SYNERGY TILT,H-1361-038 (DWR1361H038)
Pride Mobility
SCREW, PAN HEAD, TYPE H, M5X0.8 X 35, ISO 7045, CL 4.8, BZ (SCRPPH1390)
Pride Mobility
Pride Mobility
SHROUD,BREAKER MOUNT,BLACK,MOLDED ABS,D-1062-078 (DWR1062D078)
Monster Scooter Parts
M4-.7 X 8MM Black Zinc Screw (DWR1354D001)
Monster Scooter Parts
Battery Harness to Controller for the Quantum Q6 Edge (DWR1062H003)
Pride Mobility
ELECTRONIC,HARNESS,POWER CABLE,Q6EDGE,DYNAMIC (DWR1062H005)
