
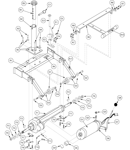
FRAME, ASSY, REAR, 3/4 WHEEL, (S.N. L-30999 & PRIOR)

FRAME, MAIN, REAR

SEAT POST, LOWER, FRAME

BOLT, SHOULDER, 8MM X 12MM

BOLT, SHOULDER, 8MM X 40MM, GRADE 5

FRAME, SUPPORT, ELECTRONICS

SCREW, HHCS, M6-1.0 X 12MM, G2
Pride Mobility
WASHER, REGULAR SPRING LOCK, .25 ID X .47 OD X .068 THK, ASME B18.21.1, STL, BZ (WASLOCK1000)

DECAL, STOP! DISCONNECT PLUG

DECAL, THIS IS NOT A HANDLE

DECAL, DO NOT REMOVE ANTI-TIP

SEAT POST, ASSY, UPPER, 5 HOLE

SEAT POST, UPPER, FRAME, B-5100-009

SEAT POST, BUSHING, 1.000" ID X 1.310" OD X 2.112" TH X 2.00" FOD X 0.312"FTH, UPPER, A-5000-043
Monster Scooter Parts
3/8" x 3-3/8" Quick Release Seat Pin for Pride and Jazzy Rear Basket Assemblies

WHEEL, ASSY, ANTI-TIP, 2"

WHEEL, ANTI-TIP, LEGEND/CELEBRITY

SCREW, HHCS, 1/4-20 X 2.25'', GRADE 2

WASHER, FLAT, ZINC, 1/4, 0.3125" ID X0.75" OD X 0.0625" TH

NUT, NYLOCK, ZINC, 1/4-20

CAM, ASSY

FRAME, LOCKUP, LEVER

FRAME, LOCKUP, BASE

CAM NUT/WASHER

SCREW, SHCS, 1/4-20 X 0.50", GRADE 2
Pride Mobility
SCREW, BUTTON HEAD, .250-20 X 1.25, ASTM F835, BZ (SCRASBH1005)

MOTOR, ASSY, DRIVE TRAIN, OLD STYLE LEG/CEL

TRANSAXLE, ASSY, COMPLETE

TRANSAXLE, LONG SHAFT
Monster Scooter Parts
Transaxle Woodruff Key for Pride and Go-Go Scooters (KEYSTL1003)

WASHER, ZINC, .750"ID X 1.25"OD X .030"THK, STAMPED W/KEYWAY

WASHER, FLAT, ZINC, 9/16"ID X 1"OD X 1/16"
Monster Scooter Parts
Transaxle Nut for Pride Celebrity X (SC400/SC4001/SC440/SC4401) & iRide Scooters (NUTNJAM1001)

TRANSAXLE PLATE

SCREW, SHCS, ZINC, 5/16-18 X 1.00"

WASHER, LOCK, 5/16"ID X 7/16"OD X 1/16"T

SCREW, SHCS, BLACK OXIDE, 1/4-20 X 1 1/4"

WASHER, SAE, 1/4"ID, INTERNAL TOOTH

MOTOR, ASSY, BRAKE, SHORT CORD

MOTOR, MOTOR W/SHORT CORD

MOTOR, BRUSH, RELIANCE

MOTOR, BRUSH, CAP, RELIANCE

KEY, MOTOR COUPLER, 3/8" X 41/64" X 3/64", (110636YM)

MOTOR COUPLER, NYLON, (229007)

TRANSAXLE, BRAKE, RELIANCE, MAGNATEK

FREEWHEEL, ROD

KNOB, 1" DIA, PLASTIC, BLACK, ROUND, FREEWHEEL
