
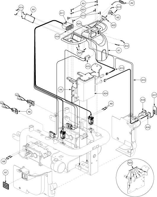
ELECTRONIC, ASSY, VSI TRAY, JAZZY1101/1121

ELECTRONIC, TRAY, JAZZY1101/1121

FUSE MODULE COVER, RUBBER, B-1500-045
Pride Mobility
ELECTRONIC,FUSE,7.5 AMP,ATO (AUTOMOTIVE TYPE),(LITTELFUSE: 25707.5) (ELEFUSE1010)

ELECTRONIC, MOUNTING BRACKET, JAZZY1101/1121

SCREW, PPH, BLACK ZINC, M5-.8 X 15MM, (MTS: 50105036)

ELECTRONIC, ASSY, BATTERY CABLE, W/125A/32V FUSEABLE LINK, QUICK DISCONNECT, H-1122-022

AC CAP, BELLY PAN SIDE, SNAP-IN, C-1101-038

SCREW, PPH, ZINC, M3-.5 X 16MM

CAP, PLASTIC, BLANK, 3.32" X 1.60", JAZZY ELECTRONICS TRAY, B-1000-297

ELECTRONIC, HARNESS, FUSE AMMETER JUMPER, JAZZY1101/1121

ELECTRONIC, HARNESS, POWER INTERFACE, PILOT/VSI, H-1010-021
Pride Mobility
SCREW, PAN HEAD, TYPE H, M4X0.7 X 12, FT, ISO 7045, CL 4.8, BZ (SCRPPH1044)

ELECTRONIC, HARNESS, CHGR, EXTERNAL FUSE READY, .187 FEMALE CONNECTORS
Monster Scooter Parts
M3-.5x10 mm Black Pan Head Machine Screw (SCRPPH1148)

ELECTRONIC,ASSY,CIRCUIT BREAKER,50 AMP,COMPLETE,RIGHT ANGLE TERMINALS,PUSH TO RESET

ELECTRONIC, HARNESS, A/C CHGR INPUT, WITH AMP 1-350346-0

COVER, SOCKET, RUBBER

ELECTRONIC, AMMETER, 0-6

MOUNTING BRACKET, BEAU CONNECTOR MOUNTING BRACKET, C-1000-245

NUT, NYLOCK, BLACK ZINC, M3-.5

WASHER, FLAT, BLACK ZINC, 5MM ID X 11MM OD X 1.5MM TH

ELECTRONIC, ASSY, FUSE MODULE, W/CONTACTS, QUANTUM BLAST, H-1500-016
Pride Mobility
TIEDOWN STRAP, 200 LG, PLASTIC, BLACK, SPEC NO. 2106329-2-50-175-V2 (PLSTIE1004)

CHARGER, ASSY, ONBOARD, 110V, 5 AMP, SEPARATE POWER CORD, METRIC, GUEST
