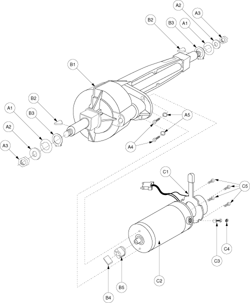
MOTOR, ASSY, MOTOR BRAKE/STX-190 TRANSAXLE, DRIVE
WASHER, ZINC, .750"ID X 1.25"OD X .030"THK, STAMPED W/KEYWAY
Pride Mobility
NUT, HEX, LOCK, .50-20, ASME B18.16.6, BZ, PVTP (NUTNYLK1010)
Pride Mobility
SCREW, SOCKET HEAD, .250-20 X .75, ASTM A574, BZ (SCRSHCS1005)
WASHER, SAE, 1/4"ID, INTERNAL TOOTH
MOTOR, ASSY, BRAKE, STX-190 TRANSAXLE
TRANSAXLE, SHORT SHAFT, STX190
TRANSAXLE, SHORT SHAFT, STX-190
Monster Scooter Parts
Transaxle Woodruff Key for Pride and Go-Go Scooters (KEYSTL1003)
KEY, MOTOR COUPLER, 3/8" X 41/64" X 3/64", (110636YM)
MOTOR COUPLER, NYLON, (229007)
MOTOR, ASSY, BRAKE, RELIANCE 675, UNIVERSAL END BELL, LONG CORD
TRANSAXLE, BRAKE, RELIANCE, MAGNATEK
MOTOR, RELIANCE 675, UNIVERSAL END BELL, SK, LONG CORD
MOTOR, BRUSH, RELIANCE
MOTOR, BRUSH, CAP, RELIANCE
SCREW, SHCS, BLACK, 8-32 X 1/2"L














