Pos.
MPN
Details
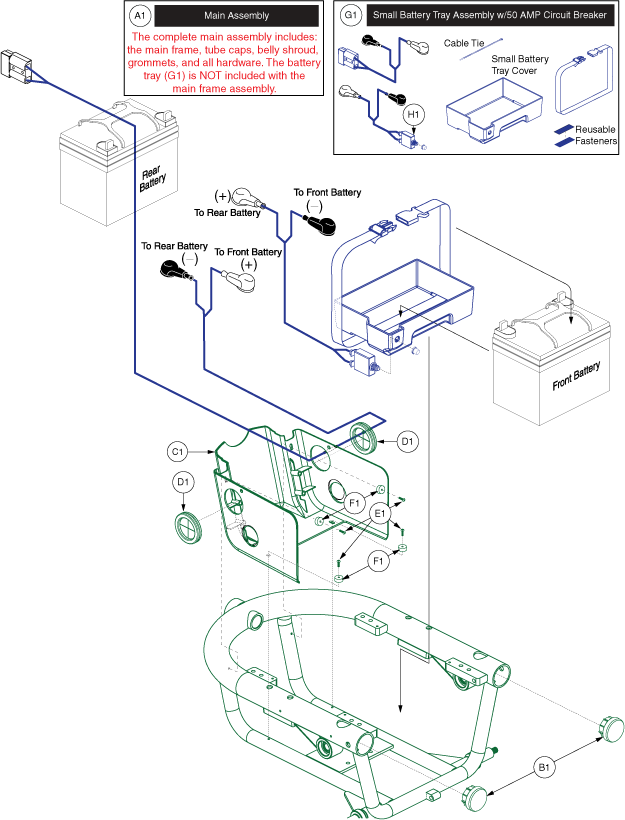
A1
FRMASMB8469
B1
DWR1054C012
C1
DWR1054E006
D1
DWR1054B024

GROMMET, RUBBER, HOLE, B-1054-024
---
E1
SCRPPH1318
Pride Mobility
SCREW, PAN HEAD, TYPE H, M4X0.7 X 16, FT, ISO 7045, CL 4.8, BZ (SCRPPH1318)
$3.29
Unit price
/
Unavailable
F1
DWR1054A011

SPACER, BLACK, NYLON, 4MM ID X 12.7MM OD X 8MM TH, A-1054-011
---
G1
DGN142485
Pride Mobility
BATTERY,ASSY,TRAY,SMALL,PLASTIC,W/50 AMP CIRCUIT BREAKER & DECALS (DGN142485)
$170.49
$209.87
Unit price
/
Unavailable
H1
ELECBRK1030
Monster Scooter Parts
50 Amp (50A) 125/250VAC / 50VDC Push-Button Reset Circuit Breaker (LRB402307)
$13.99
Unit price
/
Unavailable
