
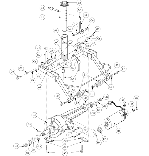
FRAME, ASSY, REAR, 3/4 WHL CELEBRITY

FRAME, REAR, 3 WHEEL LEGEND/CELEBRITY

TRANSAXLE, MOUNTING PLATE

SCREW, SHCS, BLACK OXIDE, 1/4-20 X 1 1/4"
Pride Mobility
WASHER, REGULAR SPRING LOCK, .25 ID X .47 OD X .068 THK, ASME B18.21.1, STL, BZ (WASLOCK1000)

DECAL, DO NOT REMOVE ANTI-TIP

DECAL, WARNING-BOTH LOCK PINS

DECAL, PATENT PENDING, 3/8" X 2 1/4"L, L-1234-100

DECAL, SERIAL NUMBER, STD LEG

SEAT POST, ASSY, UPPER, 5 HOLE

SEAT POST, UPPER, FRAME, B-5100-009

BUSHING, SEAT PEDESTAL, C-1000-416
Monster Scooter Parts
3/8" x 3-3/8" Quick Release Seat Pin for Pride and Jazzy Rear Basket Assemblies

HANDLE, ASSY, CAM, PAINTED

BALLPLUNGER+FILM, 5/16-18X37/64

CAM HANDLE, STYLE#9 W/ INSERT

NUT, JAM, 5/16-18

COVER, HANDLE, CAM

WASHER, FLAT SAE, 1/4"ID 7/16"OD 1/16"T

WASHER, NYLON, 1/4"ID X 3/4"OD X 1/8"T

WASHER, FENDER, 1/4"ID X 3/4"OD

NUT, NYLOCK, 10-24

LOCKING PIN, ASSY, FRAME RELEASE

LANYARD, SS BALL CHAIN, #10X4.5"

RIVET, ALUM RIV/MAND, #44 1/8D X 1/4G

WHEEL, ASSY, ANTI-TIP, 2"

WHEEL, ANTI-TIP, LEGEND/CELEBRITY

SCREW, HHCS, 1/4-20 X 2.50", GRADE 5
Pride Mobility
WASHER,FLAT,ZINC,1/4"ID X 9/16"OD X 1/16"T (WASSTND1001)

NUT, NYLOCK, ZINC, 1/4-20

MOTOR, ASSY, BRAKE, STX-190 TRANSAXLE
Pride Mobility
SCREW, SOCKET HEAD, .250-20 X .75, ASTM A574, BZ (SCRSHCS1005)

WASHER, SAE, 1/4"ID, INTERNAL TOOTH

TRANSAXLE, STX190

TRANSAXLE, SHORT SHAFT, STX190
Monster Scooter Parts
3/16" x 3/16" x 7/8" Axle Key (KEYSTL1006)

WASHER, ZINC, .750"ID X 1.25"OD X .030"THK, STAMPED W/KEYWAY
Monster Scooter Parts
Transaxle Nut for Pride Celebrity X (SC400/SC4001/SC440/SC4401) & iRide Scooters (NUTNJAM1001)

MOTOR, ASSY, BRAKE, RELIANCE 675, UNIVERSAL END BELL, LONG CORD

MOTOR, RELIANCE 675 W/UNIVERSAL END BELL, DC

MOTOR, BRUSH, RELIANCE

MOTOR, BRUSH, CAP, RELIANCE

KEY, MOTOR COUPLER, 3/8" X 41/64" X 3/64", (110636YM)

MOTOR COUPLER, NYLON, (229007)

TRANSAXLE, BRAKE, RELIANCE, MAGNATEK
